Главная
23.07.2025
В условиях, где энергоэффективность и экологическая устойчивость приобретают первостепенное значение, энергосберегающие насадки для воздухоохладителей становятся важной инновацией в сфере климатической техники. Эти устройства не только способствуют значительному снижению энергопотребления, но и повышают эффективность охлаждения, что делает их незаменимыми в жилых и промышленных помещениях.
23.07.2025
Поршневые компрессоры Bitzer играют ключевую роль в системах охлаждения, обеспечивая надежное сжатие хладагента. Для поддержания их бесперебойной работы необходимо своевременное техническое обслуживание и использование качественных запчастей.
Отзывы

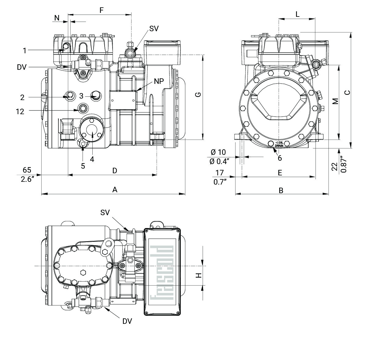
D4-16.1Y Frascold компрессор поршневой (3 кВт)

Оставить заявку на приобретение данного товара на

info@domxoloda.ru

Заказать
Цена
SI IP
Цилиндры 2 # 2 #
Объемная производительность @ 50 Hz 16.4 m3/h [50Hz] 579 CFH [50Hz]
Объемная производительность @ 60 Hz 19.7 m3/h [60Hz] 696 CFH [60Hz]
Версия двигателя [1] 1 1
Номинальная мощность двигателя 3 kW 3 kW
Напряжение питания двигателя при 50 Hz [2] 220-240V - 380-420V/3/50Hz DOL V/ph/Hz 220-240V - 380-420V/3/50Hz DOL V/ph/Hz
Напряжение питания двигателя при 60 Hz [2] 265-290V - 440-480V/3/60Hz DOL V/ph/Hz 265-290V - 440-480V/3/60Hz DOL V/ph/Hz
Ступени разгрузки мощности (головка регулирования производительности RSH) 100-50 % 100-50 %
MRA, максимальный рабочий ток при 230V/50Hz и 280V/60Hz 20.1 A 20.1 A
MRA, максимальный рабочий ток при 400V/50Hz и 460V/60Hz 11.6 A 11.6 A
LRA, ток двигателя с остановленным ротором для 230V/50Hz и 280V/60Hz, DOL двигатель прямого пуска 90.3 A 90.3 A
Частота минимальная 30 Hz 30 Hz
Частота максимальная [3] 87 Hz 87 Hz
Устройство управления и защиты INT69® INT69®
Класс защиты IP клеммной коробки IP56 IP56
Максимальное давление HP 30 bar 435.0 psi
Максимальное давление LP 20.5 bar 297.3 psi
Тип масла [4] POE32 POE32
Заправка маслом (3/4 уровня смотрового стекла) 1.2 l 40.58 fl oz
Тип смазки Центробежный Центробежный
Вес нетто 51 kg 112.43 lb
Макс. длина 401 mm 15.80 inch
Макс. глубина 242 mm 9.53 inch
Макс. высота 317 mm 12.49 inch
Диаметр виброопоры 30 mm 1.18 inch
Высота виброопоры 30 mm 1.18 inch
Твердость резиновых опор по Шору 45 Шор 45 Шор
Уровень звуковой мощности (-10/45, R404A) [5] 67 dB(A) 69.5 dB(A)
Уровень звукового давления @ 1m (-10/45, R404A) [5] 59 dB(A) 61.5 dB(A)
Материал корпуса компрессора Ghisa GJL250 Ghisa GJL250
Защита двигателя PTC PTC
Смотровое стекло уровня масла 1 # 1 #
LRA, ток двигателя с остановленным ротором для 400V/50Hz и 460V/60Hz, DOL двигатель прямого пуска 52 A 52 A
Примечание
[1] Версия двигателя: 1 = среднетемпературные применения (высокие и средние температуры) - для всех хладагентов; 2 = низкотемпературные применения (низкие и средние температуры) - для всех хладагентов; 3 = ECOinside, низкотемпературные применения, только для хладагентов R134a, R1234ze, R1234yf
[2] Двигатели с иными режимами питания и напряжения доступны по запросу
[3] Максимальная частота зависит от рабочих условий: для получения информации о рабочих характеристиках используйте Программу подбора оборудования Frascold FSS.3
[4] Альтернативные смазочные масла см. в руководстве FTEC022
[5] Звуковое давление при прямой передаче, в полусфере на расстоянии 1 метр, 50Hz; Для получения информации о PWL и SPL в других условиях используйте Программу подбора оборудования Frascold FSS.3

Список возможных опций
Опция Код
Головки с водяным охлаждением T00SK50020
Модуль управления - INT 69 Diagnose (230/110V) T00EC01D-RIC
Нагреватель картера (230V-50W) T00CH13-RIC
Вентилятор охлаждения головки - 230V/1/50-60Hz SZ-FM1
Электронный регулятор уровня масла - INT280 Diagnose 230V AC T00EC1900
Комплект для выравнивания уровня масла - 1" ROT 5/8" ODS T00SK170200
Комплект для выравнивания уровня масла - 1"1/4 ROT 1"1/8 ODS T00SK170300
Головка регулирования производительности RSH 230V AC T00SK220330
Шлюз Modbus для подключения T00EC59
Кабель подключения интерфейса Modbus (INT69) T00EC64









D4-16.1Y Frascold компрессор поршневой (3 кВт)

Назад в раздел
С этим товаром покупают

Мы поставляем D4-16.1Y Frascold компрессор поршневой (3 кВт) поршневые компрессоры frascold по всей России: Адлер, Армавир, Армянск, Ачинск, Абакан, Архангельск, Астрахань, Альметьевск, Артем, Балаково, Барнаул, Барабинск, Батайск, Бахчисарай, Белебей, Белорецк, Белоярский, Бердск, Бийск, Бугульма, Белгород, Благовещенск, Братск, Брянск, Верхняя Пышма ...

▼ Написать нам
x
запрос отправлен

Ваш запрос отправлен.Наш менеджер свяжется с вами в ближайшее время!