Главная
23.07.2025
В условиях, где энергоэффективность и экологическая устойчивость приобретают первостепенное значение, энергосберегающие насадки для воздухоохладителей становятся важной инновацией в сфере климатической техники. Эти устройства не только способствуют значительному снижению энергопотребления, но и повышают эффективность охлаждения, что делает их незаменимыми в жилых и промышленных помещениях.
23.07.2025
Поршневые компрессоры Bitzer играют ключевую роль в системах охлаждения, обеспечивая надежное сжатие хладагента. Для поддержания их бесперебойной работы необходимо своевременное техническое обслуживание и использование качественных запчастей.
Отзывы

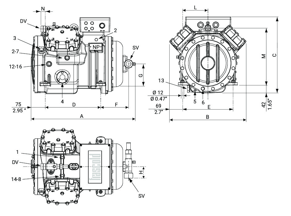
S15-52Y Frascold компрессор поршневой (11 кВт)

Оставить заявку на приобретение данного товара на

info@domxoloda.ru

Заказать
Цена
SI IP
Цилиндры 4 # 4 #
Объемная производительность @ 50 Hz 51.5 m3/h [50Hz] 1 CFH [50Hz]
Объемная производительность @ 60 Hz 61.8 m3/h [60Hz] 2 CFH [60Hz]
Версия двигателя [1] 1 1
Номинальная мощность двигателя 11 kW 11 kW
Напряжение питания двигателя при 50 Hz [2] 380-420V/3/50Hz PWS V/ph/Hz 380-420V/3/50Hz PWS V/ph/Hz
Напряжение питания двигателя при 60 Hz [2] 440-480V/3/60Hz PWS V/ph/Hz 440-480V/3/60Hz PWS V/ph/Hz
PWS partition 50-50 50-50
CC Head capacity control steps 100-50 % 100-50 %
Ступени разгрузки мощности (головка регулирования производительности RSH) 100-75-50 % 100-75-50 %
MRA, максимальный рабочий ток при 400V/50Hz и 460V/60Hz 32.4 A 32.4 A
LRA, ток двигателя с остановленным ротором для 400V/50Hz и 460V/60Hz, PWS двигатель (с раздельным пуском) 74.8 A 74.8 A
LRA, ток двигателя с остановленным ротором для 400V/50Hz и 460V/60Hz, PWS двигатель - DOL прямое соединение (с раздельным пуском - прямой пуск) 117.1 A 117.1 A
Частота минимальная 25 Hz 25 Hz
Частота максимальная [3] 87 Hz 87 Hz
Класс защиты IP клеммной коробки IP56 IP56
Максимальное давление HP 30 bar 435.0 psi
Максимальное давление LP 20.5 bar 297.3 psi
Тип масла [4] POE32 POE32
Заправка маслом (3/4 уровня смотрового стекла) 2.9 l 98.06 fl oz
Тип смазки Центробежный Центробежный
Вес нетто 126 kg 277.78 lb
Макс. длина 550 mm 21.67 inch
Макс. глубина 405 mm 15.96 inch
Макс. высота 405 mm 15.96 inch
Диаметр виброопоры 50 mm 1.97 inch
Высота виброопоры 50 mm 1.97 inch
Твердость резиновых опор по Шору 55 Шор 55 Шор
Уровень звуковой мощности (-10/45, R404A) [5] 76.5 dB(A) 79.0 dB(A)
Уровень звукового давления @ 1m (-10/45, R404A) [5] 68.5 dB(A) 71.0 dB(A)
Материал корпуса компрессора Ghisa GJL250 Ghisa GJL250
Защита двигателя AMS AMS
Смотровое стекло уровня масла 2 # 2 #
Control and protection device INT69® INT69®
Примечание
[1] Версия двигателя: 1 = среднетемпературные применения (высокие и средние температуры) - для всех хладагентов; 2 = низкотемпературные применения (низкие и средние температуры) - для всех хладагентов; 3 = ECOinside, низкотемпературные применения, только для хладагентов R134a, R1234ze, R1234yf
[2] Двигатели с иными режимами питания и напряжения доступны по запросу
[3] Максимальная частота зависит от рабочих условий: для получения информации о рабочих характеристиках используйте Программу подбора оборудования Frascold FSS.3
[4] Альтернативные смазочные масла см. в руководстве FTEC022
[5] Звуковое давление при прямой передаче, в полусфере на расстоянии 1 метр, 50Hz; Для получения информации о PWL и SPL в других условиях используйте Программу подбора оборудования Frascold FSS.3

Список возможных опций
Опция Код
Головка регулирования производительности RSH 230V AC T00SK220360
Шлюз Modbus для подключения T00EC59
Головки с водяным охлаждением T00SK50010
Кабель подключения интерфейса Modbus (INT69) T00EC65
Нагреватель картера (230V-70W) T00CH1-RIC
Датчик контроля температуры нагнетания T00EC50D
Головка регулирования производительности CC 230V AC T00SK220100
Головка разгруженного пуска (US) 230V AC T00SK250100
Вентилятор охлаждения головки - 230-400V/3/50-60Hz SZ-FM2S
Электронный регулятор уровня масла - INT280 Diagnose 230V AC T00EC1900
Комплект для выравнивания уровня масла - 1" ROT 5/8" ODS T00SK170200
Комплект для выравнивания уровня масла - 1"1/4 ROT 1"1/8 ODS T00SK170300
Кабель USB-адаптера T00EC57

S15-52Y Frascold компрессор поршневой (11 кВт)

Назад в раздел
С этим товаром покупают

Мы поставляем S15-52Y Frascold компрессор поршневой (11 кВт) поршневые компрессоры frascold по всей России: Адлер, Армавир, Армянск, Ачинск, Абакан, Архангельск, Астрахань, Альметьевск, Артем, Балаково, Барнаул, Барабинск, Батайск, Бахчисарай, Белебей, Белорецк, Белоярский, Бердск, Бийск, Бугульма, Белгород, Благовещенск, Братск, Брянск, Верхняя Пышма ...

▼ Написать нам
x
запрос отправлен

Ваш запрос отправлен.Наш менеджер свяжется с вами в ближайшее время!