Главная
23.07.2025
В условиях, где энергоэффективность и экологическая устойчивость приобретают первостепенное значение, энергосберегающие насадки для воздухоохладителей становятся важной инновацией в сфере климатической техники. Эти устройства не только способствуют значительному снижению энергопотребления, но и повышают эффективность охлаждения, что делает их незаменимыми в жилых и промышленных помещениях.
23.07.2025
Поршневые компрессоры Bitzer играют ключевую роль в системах охлаждения, обеспечивая надежное сжатие хладагента. Для поддержания их бесперебойной работы необходимо своевременное техническое обслуживание и использование качественных запчастей.
Отзывы

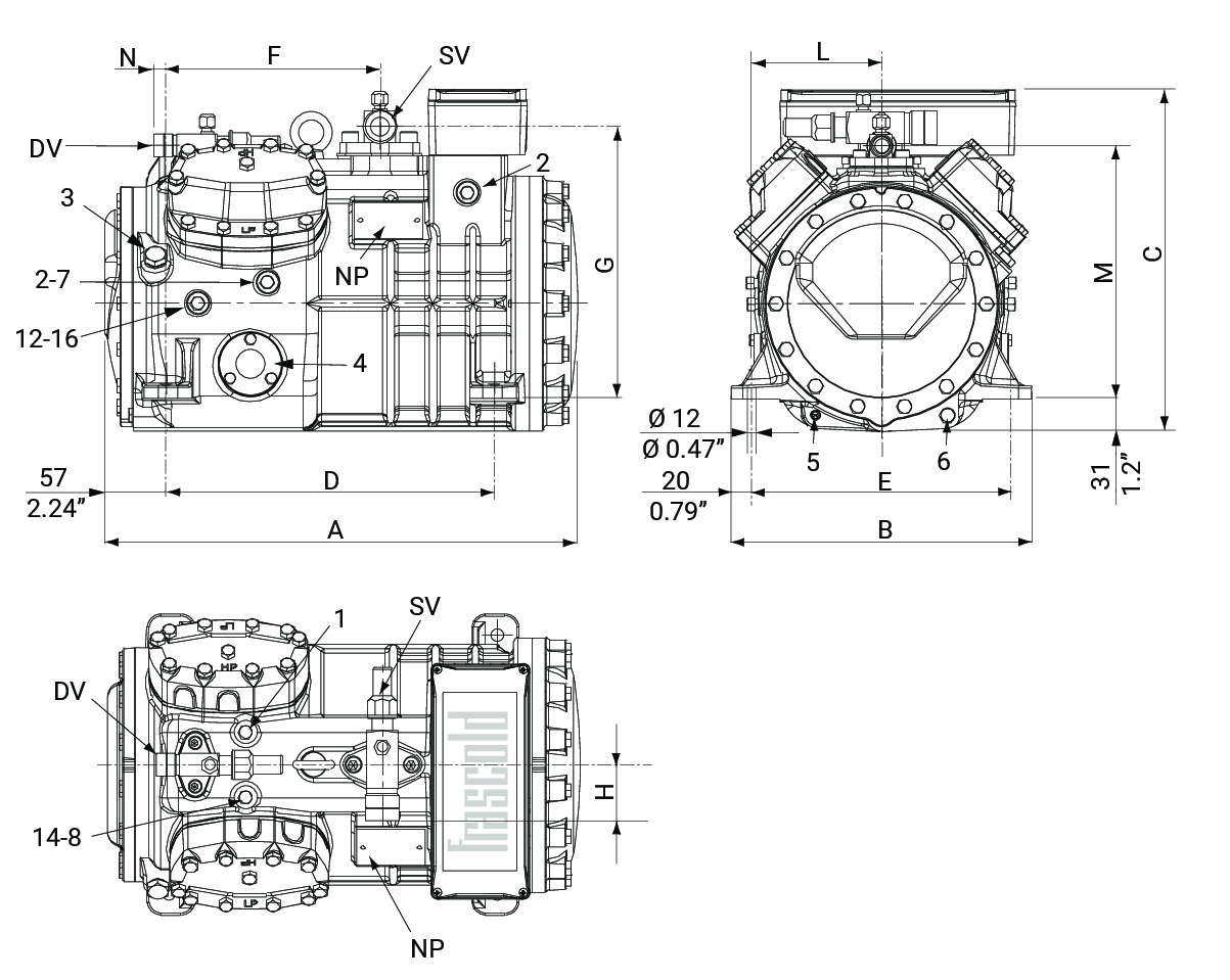
Q5-28.1Y Frascold компрессор поршневой (3,7 кВт)

Оставить заявку на приобретение данного товара на

info@domxoloda.ru

Заказать
Цена
SI IP
Цилиндры 4 # 4 #
Объемная производительность @ 50 Hz 28 m3/h [50Hz] 989 CFH [50Hz]
Объемная производительность @ 60 Hz 33.6 m3/h [60Hz] 1 CFH [60Hz]
Версия двигателя [1] 2 2
Номинальная мощность двигателя 3.7 kW 3.7 kW
Напряжение питания двигателя при 50 Hz [2] 220-240V - 380-420V/3/50Hz DOL V/ph/Hz 220-240V - 380-420V/3/50Hz DOL V/ph/Hz
Напряжение питания двигателя при 60 Hz [2] 265-290V - 440-480V/3/60Hz DOL V/ph/Hz 265-290V - 440-480V/3/60Hz DOL V/ph/Hz
CC Head capacity control steps 100-50 % 100-50 %
Ступени разгрузки мощности (головка регулирования производительности RSH) 100-75-50 % 100-75-50 %
MRA, максимальный рабочий ток при 230V/50Hz и 280V/60Hz 24.3 A 24.3 A
MRA, максимальный рабочий ток при 400V/50Hz и 460V/60Hz 14 A 14 A
LRA, ток двигателя с остановленным ротором для 230V/50Hz и 280V/60Hz, DOL двигатель прямого пуска 109.7 A 109.7 A
Частота минимальная 25 Hz 25 Hz
Частота максимальная [3] 87 Hz 87 Hz
Класс защиты IP клеммной коробки IP56 IP56
Максимальное давление HP 30 bar 435.0 psi
Максимальное давление LP 20.5 bar 297.3 psi
Тип масла [4] POE32 POE32
Заправка маслом (3/4 уровня смотрового стекла) 1.6 l 54.10 fl oz
Тип смазки Центробежный Центробежный
Вес нетто 79 kg 174.16 lb
Макс. длина 449 mm 17.69 inch
Макс. глубина 286 mm 11.27 inch
Макс. высота 328 mm 12.92 inch
Диаметр виброопоры 40 mm 1.58 inch
Высота виброопоры 40 mm 1.58 inch
Твердость резиновых опор по Шору 45 Шор 45 Шор
Уровень звуковой мощности (-10/45, R404A) [5] 72 dB(A) 74.5 dB(A)
Уровень звукового давления @ 1m (-10/45, R404A) [5] 64 dB(A) 66.5 dB(A)
Материал корпуса компрессора Ghisa GJL250 Ghisa GJL250
Защита двигателя AMS AMS
Смотровое стекло уровня масла 2 # 2 #
LRA, ток двигателя с остановленным ротором для 400V/50Hz и 460V/60Hz, DOL двигатель прямого пуска 63.1 A 63.1 A
Устройство управления и защиты INT69® INT69®
Примечание
[1] Версия двигателя: 1 = среднетемпературные применения (высокие и средние температуры) - для всех хладагентов; 2 = низкотемпературные применения (низкие и средние температуры) - для всех хладагентов; 3 = ECOinside, низкотемпературные применения, только для хладагентов R134a, R1234ze, R1234yf
[2] Двигатели с иными режимами питания и напряжения доступны по запросу
[3] Максимальная частота зависит от рабочих условий: для получения информации о рабочих характеристиках используйте Программу подбора оборудования Frascold FSS.3
[4] Альтернативные смазочные масла см. в руководстве FTEC022
[5] Звуковое давление при прямой передаче, в полусфере на расстоянии 1 метр, 50Hz; Для получения информации о PWL и SPL в других условиях используйте Программу подбора оборудования Frascold FSS.3


Список возможных опций
Опция Код
Головки с водяным охлаждением T00SK50020
Нагреватель картера (230V-70W) T00CH1-RIC
Датчик контроля температуры нагнетания T00EC50D
Головка регулирования производительности RSH 230V AC T00SK220310
Головка регулирования производительности CC 230V AC T00SK220150
Головка разгруженного пуска (US) 230V AC T00SK250150
Вентилятор охлаждения головки - 230V/1/50-60Hz SZ-FM9
Электронный регулятор уровня масла - INT280 Diagnose 230V AC T00EC1900
Комплект для выравнивания уровня масла - 1" ROT 5/8" ODS T00SK170200
Комплект для выравнивания уровня масла - 1"1/4 ROT 1"1/8 ODS T00SK170300
Шлюз Modbus для подключения T00EC59
Кабель подключения интерфейса Modbus (INT69) T00EC64
Кабель USB-адаптера T00EC57

Q5-28.1Y Frascold компрессор поршневой (3,7 кВт)

Назад в раздел
С этим товаром покупают

Мы поставляем Q5-28.1Y Frascold компрессор поршневой (3,7 кВт) поршневые компрессоры frascold по всей России: Адлер, Армавир, Армянск, Ачинск, Абакан, Архангельск, Астрахань, Альметьевск, Артем, Балаково, Барнаул, Барабинск, Батайск, Бахчисарай, Белебей, Белорецк, Белоярский, Бердск, Бийск, Бугульма, Белгород, Благовещенск, Братск, Брянск, Верхняя Пышма ...

▼ Написать нам
x
запрос отправлен

Ваш запрос отправлен.Наш менеджер свяжется с вами в ближайшее время!