Главная
23.07.2025
В условиях, где энергоэффективность и экологическая устойчивость приобретают первостепенное значение, энергосберегающие насадки для воздухоохладителей становятся важной инновацией в сфере климатической техники. Эти устройства не только способствуют значительному снижению энергопотребления, но и повышают эффективность охлаждения, что делает их незаменимыми в жилых и промышленных помещениях.
23.07.2025
Поршневые компрессоры Bitzer играют ключевую роль в системах охлаждения, обеспечивая надежное сжатие хладагента. Для поддержания их бесперебойной работы необходимо своевременное техническое обслуживание и использование качественных запчастей.
Отзывы

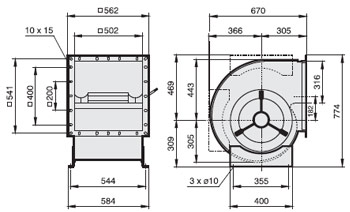
Вентилятор Rosenberg DHAD 400-4

Вентилятор Rosenberg DHAD 400-4

Оставить заявку на приобретение данного товара на

info@domxoloda.ru

Заказать
Модель: DHAD 400-4
Масса, кг.: 42 кг.
Размеры: Загрузить
Тип вентилятора: радиальный
Пусковой ток, А: 6,51 А.
Скорость вращения, об\мин: 1220 об/мин.
Диаметр присоединяемого канала, мм.: 400
Напряжение электропитания: 400 В.
Частота тока: 50 Гц.
Максимальная потребляемая мощность электродвигателя: 1,28 кВт.
Максимальный рабочий ток: 2,5 А.
Максимальная температура окр. среды: +50°С.
Степень защиты: IP54.
Рабочая кривая производительности: Загрузить
Цена
Модель DHAD 400-4 производства Rosenberg применяется для подачи воздуха с низким содержанием пыли, газа и пара. Подобрать подходящую модель поможет стандартизованный типовой ряд R20 по DIN 323. Диаметр рабочего колеса соответствует обозначению типоразмера вентилятора, поэтому пользователи техники компании Rosenberg могут заранее определиться с итоговыми габаритами, которые наиболее эффективно подойдут для конкретных эксплуатационных условий агрегата.

Вентилятор Rosenberg DHAD 400-4 демонстрируют КПД равный 80%. Это достигается за счет наличия запатентованной формы лопаток. Они загнуты назад и выполнены в вогнутой форме, поэтому центробежные колеса обеспечивают установке высокую производительность при работе с воздушным потоком различного объема.  Универсальность применения — это еще один показатель, который помог представленной модели завоевать большую популярность у покупателей оборудования для кондиционирования и вентилирования воздуха.

Rosenberg DHAD 400-4 повсеместно применяется в системах вентиляции и кондиционирования воздуха в коммерческих и промышленных объектах, общественных зданиях и жилых комплексах. Это инновационная разработка, которая мгновенно заняла лидирующее позиции на современном рынке благодаря оптимальному ценовому диапазону и передовым эксплуатационным, а также техническим показателям.


Назад в раздел
С этим товаром покупают

Мы поставляем Вентилятор Rosenberg DHAD 400-4: цена, купить вентиляторы в Москве по всей России: Адлер, Армавир, Армянск, Ачинск, Абакан, Архангельск, Астрахань, Альметьевск, Артем, Балаково, Барнаул, Барабинск, Батайск, Бахчисарай, Белебей, Белорецк, Белоярский, Бердск, Бийск, Бугульма, Белгород, Благовещенск, Братск, Брянск, Верхняя Пышма ...

▼ Написать нам
x
запрос отправлен

Ваш запрос отправлен.Наш менеджер свяжется с вами в ближайшее время!