Главная
23.07.2025
В условиях, где энергоэффективность и экологическая устойчивость приобретают первостепенное значение, энергосберегающие насадки для воздухоохладителей становятся важной инновацией в сфере климатической техники. Эти устройства не только способствуют значительному снижению энергопотребления, но и повышают эффективность охлаждения, что делает их незаменимыми в жилых и промышленных помещениях.
23.07.2025
Поршневые компрессоры Bitzer играют ключевую роль в системах охлаждения, обеспечивая надежное сжатие хладагента. Для поддержания их бесперебойной работы необходимо своевременное техническое обслуживание и использование качественных запчастей.
Отзывы
Рабочее колесо Bahcivan BASSF 140/60 с загнутыми вперед лопатками

Рабочее колесо Bahcivan BASSF 140/60 с загнутыми вперед лопатками

Оставить заявку на приобретение данного товара на

info@domxoloda.ru

Заказать
Конструкция: Рабочее колесо
Типоразмер [мм]: 140/60
Серия: BASSF
Производительность [м3/ч]: 600
Питание [В]: 230
Мощность [кВт]: 0.14
Давление [Pa]: 412
Уровень шума [dB/A]: 52
Частота [Гц]: 50
Частота вращения [rpm]: 2265
Цена

Благодаря нашему опыту и знаниям, продаем и подбираем аналоги всех основных производителей!

Вентилятор Bahcivan BASSF 140-60 с загнутыми вперед лопатками

  • Материал: Крыльчатка произведена из оцинкованной листовой стали;
  • Тип изоляции: В;
  • Контроль скорости при помощи дополнительного регулятора скорости (BSC-1, BSC-2);
  • Мощность от 90 до 230 W;
  • Производительность до 6 500 м3/ч.

Область применения:

Охлаждение агрегатов, бойлеров, охлаждение моторов лифтов, кондиционирование воздуха на яхтах, охлаждение электрических плат, лабораторий, жилых и промышленных помещений и т.д.

Информация для подбора вентилятора

  • Воздушный скорость потока, м3/ч;
  • Условия эксплуатации статическое и общее давление, Па;
  • Температура воздуха проходящий через вентилятор, С;
  • Особенности воздуха - пыль, влажность,щепа и т.д;
  • Коррозийность рабочей и окружающей среды.

Технические характеристики Bahcivan BASSF 140-60

График производительности и подбора рабочей точки Bahcivan BASSF 140-60

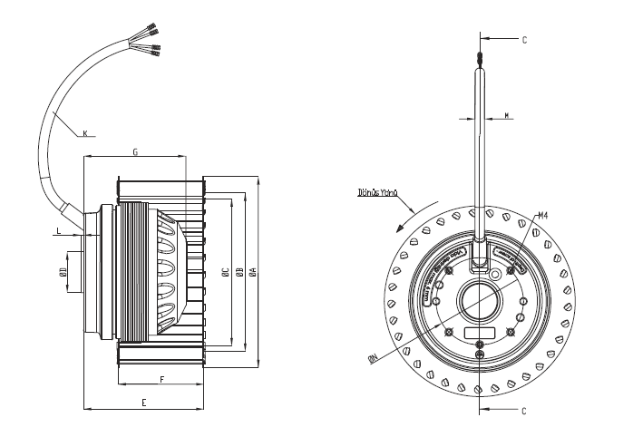
Габаритные и присоединительные размеры

Каталоги, инструкции, обзорные флаеры

Каталог радиальных вентиляторов и рабочих колес Bahcivan BASSF - Eng
Каталог акссесуаров Bahcivan - регуляторы скорости, частотные преобразователи, клапана, решетки, регуляторы. - Eng
Сертификат соответствия продукции Bahcivan общего назначения до 28.02.2016. - Русский

Подключение вентиляторов Bahcivan. Трехфазные, однофазное, треугольник, звезда.


Рабочее колесо Bahcivan BASSF 140/60 с загнутыми вперед лопатками

Назад в раздел
С этим товаром покупают

Мы поставляем Рабочее колесо Bahcivan BASSF 140/60 с загнутыми вперед лопатками: цена, купить вентиляторы в Москве по всей России: Адлер, Армавир, Армянск, Ачинск, Абакан, Архангельск, Астрахань, Альметьевск, Артем, Балаково, Барнаул, Барабинск, Батайск, Бахчисарай, Белебей, Белорецк, Белоярский, Бердск, Бийск, Бугульма, Белгород, Благовещенск, Братск, Брянск, Верхняя Пышма ...

▼ Написать нам
x
запрос отправлен

Ваш запрос отправлен.Наш менеджер свяжется с вами в ближайшее время!