Главная
23.07.2025
В условиях, где энергоэффективность и экологическая устойчивость приобретают первостепенное значение, энергосберегающие насадки для воздухоохладителей становятся важной инновацией в сфере климатической техники. Эти устройства не только способствуют значительному снижению энергопотребления, но и повышают эффективность охлаждения, что делает их незаменимыми в жилых и промышленных помещениях.
23.07.2025
Поршневые компрессоры Bitzer играют ключевую роль в системах охлаждения, обеспечивая надежное сжатие хладагента. Для поддержания их бесперебойной работы необходимо своевременное техническое обслуживание и использование качественных запчастей.
Отзывы
Вентилятор Longwell LWAE630-EC137-02 осевой EC

Вентилятор Longwell LWAE630-EC137-02 осевой EC

Вентилятор Longwell LWAE630-EC137-02 осевой EC

Оставить заявку на приобретение данного товара на

info@domxoloda.ru

Заказать
Тип оборудования: Вентилятор
Тип вентилятора [AC/DC]: EC энергосберегающий
Конструкция: Осевой
Материал: Пластик
Исполнение: Без крепежных элементов
Направление потока: Нагнетание (B-Blowing)
Гарантия: 1 год
Типоразмер [мм]: 630
Серия: LWAE
Сила тока [A]: 1.3
Производительность [м3/ч]: 14500
Питание [В]: 380
Частота вращения [об/мин]: 1150
Мощность [кВт]: 0.8
Мощность [W]: 800
Давление [Pa]: 240
Уровень шума [dB/A]: 69
Частота вращения [rpm]: 1150
Цена

Longwell LWAE630-EC137-02 описание

Осевой вентилятор с внешним ротором отличается компактной конструкцией, удобной установкой, надежной работой, низким уровнем шума, энергосбережением и высокой эффективностью. Они широко используются в отелях, ресторанах, промышленных и горнодобывающих предприятиях, офисных зданиях, театрах и других строительных объектах и могут широко использоваться для вентиляции и отвода тепла от холодильников, холодильных камер, винтовых компрессоров, испарителей, конденсаторов и другого оборудования.

Характеристики Longwell LWAE630-EC137-02

Аэродинамические характеристики

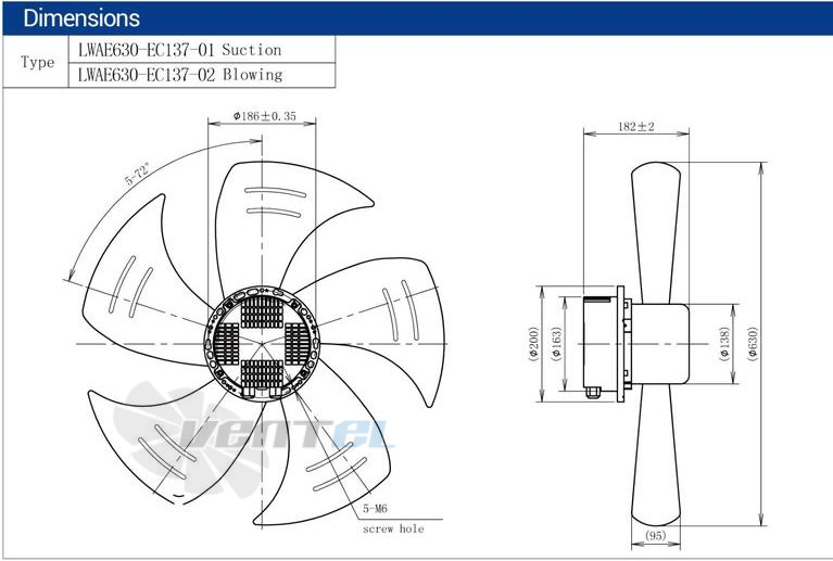
Размеры Longwell LWAE630-EC137-02



Назад в раздел
С этим товаром покупают

Мы поставляем Вентилятор Longwell LWAE630-EC137-02 осевой EC: цена, купить вентиляторы в Москве по всей России: Адлер, Армавир, Армянск, Ачинск, Абакан, Архангельск, Астрахань, Альметьевск, Артем, Балаково, Барнаул, Барабинск, Батайск, Бахчисарай, Белебей, Белорецк, Белоярский, Бердск, Бийск, Бугульма, Белгород, Благовещенск, Братск, Брянск, Верхняя Пышма ...

▼ Написать нам
x
запрос отправлен

Ваш запрос отправлен.Наш менеджер свяжется с вами в ближайшее время!