Главная
23.07.2025
В условиях, где энергоэффективность и экологическая устойчивость приобретают первостепенное значение, энергосберегающие насадки для воздухоохладителей становятся важной инновацией в сфере климатической техники. Эти устройства не только способствуют значительному снижению энергопотребления, но и повышают эффективность охлаждения, что делает их незаменимыми в жилых и промышленных помещениях.
23.07.2025
Поршневые компрессоры Bitzer играют ключевую роль в системах охлаждения, обеспечивая надежное сжатие хладагента. Для поддержания их бесперебойной работы необходимо своевременное техническое обслуживание и использование качественных запчастей.
Отзывы

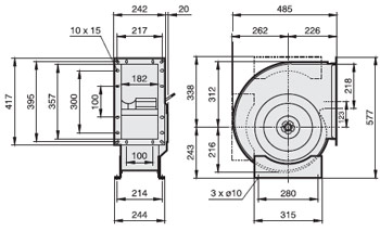
Вентилятор Rosenberg EHAE 280-2

Вентилятор Rosenberg EHAE 280-2

Оставить заявку на приобретение данного товара на

info@domxoloda.ru

Заказать
Модель: EHAE 280-2
Масса, кг.: 17 кг.
Размеры: Загрузить
Тип вентилятора: радиальный
Пусковой ток, А: 10,7 А.
Скорость вращения, об\мин: 2620 об/мин.
Диаметр присоединяемого канала, мм.: 280
Напряжение электропитания: 230 В.
Частота тока: 50 Гц.
Максимальная потребляемая мощность электродвигателя: 1,05 кВт.
Максимальный рабочий ток: 4,65 А.
Максимальная температура окр. среды: +40°С.
Степень защиты: IP54.
Рабочая кривая производительности: Загрузить
Цена
Корпус вентилятора Rosenberg серии EHAE 280-2 изготавливается из оцинкованной стали. Он надежно защищает устройство агрегата от температурного перепада и механических повреждений. Модель функционирует на основе электродвигателя с классом защиты IP 55. Тандем из двух качественных составляющих обеспечивает не только высокую производительность агрегата, но также стабильную работу без сбоев и преждевременного износа устройства.

Вентилятор Rosenberg EHAE 280-2 демонстрирует простой и быстрый монтаж. Вам не придется тратить много времени чтобы подготовить представленную модель к конкретным рабочим условиям в промышленной или частной среде. Модель также обладает малым пусковым током, поэтому снижает финансовые расходы на электроэнергию.

Радиальный вентилятор Rosenberg EHAE 280-2 является одной из самых высококачественных и эффективных моделей современного рынка. В отличие от большинства аналогов, устройство данного типа демонстрирует высокий КПД в тандеме с надежным исполнением и общей долговечностью устройства. Данная модель повсеместно применяются при создании систем вентиляции. Производитель рекомендует использовать ее в малоагрессивной среде: производственных помещениях, коммерческих объектах и жилых комплексах


Назад в раздел
С этим товаром покупают

Мы поставляем Вентилятор Rosenberg EHAE 280-2: цена, купить вентиляторы в Москве по всей России: Адлер, Армавир, Армянск, Ачинск, Абакан, Архангельск, Астрахань, Альметьевск, Артем, Балаково, Барнаул, Барабинск, Батайск, Бахчисарай, Белебей, Белорецк, Белоярский, Бердск, Бийск, Бугульма, Белгород, Благовещенск, Братск, Брянск, Верхняя Пышма ...

▼ Написать нам
x
запрос отправлен

Ваш запрос отправлен.Наш менеджер свяжется с вами в ближайшее время!